芯启源科技

0755-23345158
一分二功分器/合路器

XQY-PS2-0.5/18-SE

【产品名称】一分二微带功分器/合路器

【频率范围】500~18000MHz

【接头类型】SMA型母头-不锈钢

【表面处理】黑色烤漆

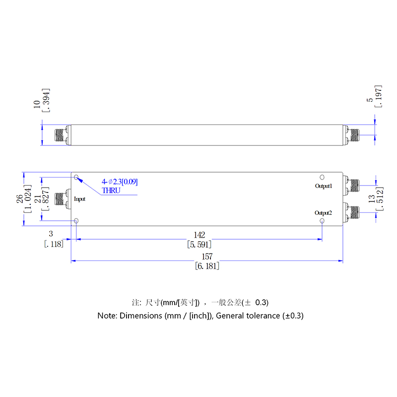
【外形尺寸】157*26*10mm

【定制服务】连接器类型、频率均可定制

详情内容请向下滑动查看↓↓↓



详情内容请向下滑动查看↓↓↓

产品手册下载

产品规格书点击下载
订购咨询 关注芯启源
快速下单

产品指标

636e07f634366.jpg/

产品规格

636e07feb895f.jpg/

产品细节

  • 产品优势

    产品内部釆用优质高频板材以及精密的内腔设计,完全自主设计研发、生产,指标优异、低驻波、低插损、高隔离、耐腐蚀、高机械可靠性

  • 外壳工艺

    外壳釆用烤漆工艺,具有较高的机械可靠性、耐磨性、耐腐蚀性

  • 连接器

    自主研发设计、生产的高频不锈钢连接器,耐磨损、耐腐蚀、使用寿命长

  • 指标定义

    可定制频率范围、插入损耗、驻波比等指标,可定制连接器类型