芯启源科技

0755-23345158
SMA连接器

XQY-SMA-KCD01-TD

【端口类型】SMA型/母头

【连接器类别】印制板

【驻波比】≤1.25:1

【频率范围】DC-18GHz

【材质工艺】黄铜 镀金

【定制服务】特殊尺寸、材质可定制


详情内容请向下滑动查看↓↓↓

产品手册下载

产品规格书点击下载
订购咨询 关注芯启源
快速下单

产品指标

参数图.jpg

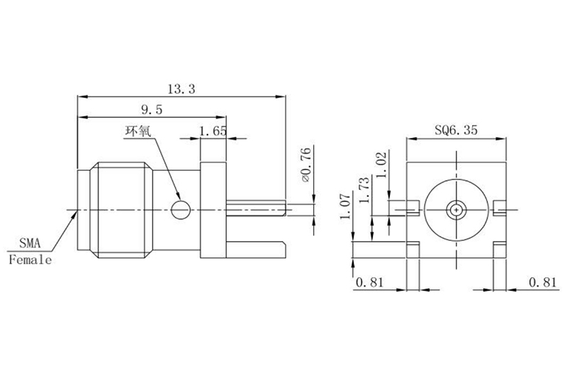
产品规格

草图.jpg

产品细节

  • SMA型连接器

    印制板样式

  • 接口类型

    SMA母头-外螺内孔/印制板

  • 3材质工艺

    外壳采用了黄铜材质,表面增加了镀金处理工艺,能提高抗氧化、耐磨性能

  • 产品特点

    体积小、低驻波、低插损、耐腐蚀、寿命长