芯启源科技

0755-23345158
N型连接器

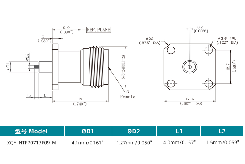
XQY-NTFP0713F09-M

【端口类型】N型/母头

【连接器类别】介质穿墙式

【驻波比】≤1.15:1

【频率范围】DC-18GHz

【材质工艺】不锈钢 钝化

【定制服务】特殊尺寸、材质可定制


详情内容请向下滑动查看↓↓↓

产品手册下载

产品规格书点击下载
订购咨询 关注芯启源
快速下单

产品指标

产品规格

产品细节

  • N型连接器

    四孔法兰固定

  • 接口类型

    N母头-外螺内孔/介质穿墙

  • 材质工艺

    外壳采用了不锈钢材质,表面增加了钝化处理工艺,能提高抗氧化、耐磨性能

  • 产品特点

    体积小、低驻波、低插损、耐腐蚀、寿命长