芯启源科技

0755-23345158
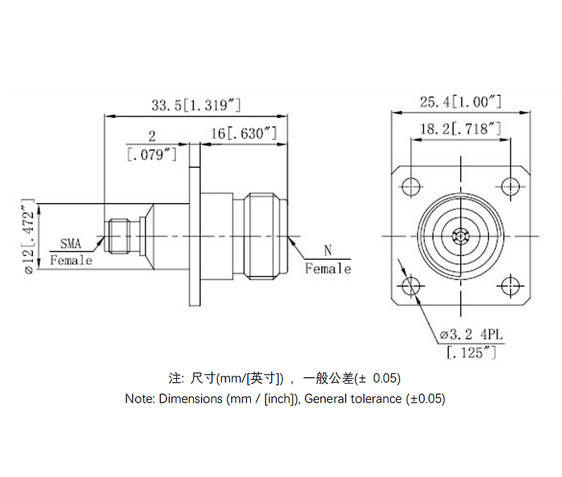
N转SMA转接器

XQY-N-SMA-KFKSD

【产品名称】系列间射频转接器

【接头类型1】N母头

【接头类型2】SMA母头

【驻波比】≤1.20:1

【频率范围】DC-18GHz

【定制服务】特殊尺寸、接头类型、材质均可定制

详情内容请向下滑动查看↓↓↓


详情内容请向下滑动查看↓↓↓

产品手册下载

产品规格书点击下载
订购咨询 关注芯启源
快速下单

产品指标

5.jpg/


产品规格

6.jpg/


产品细节

  • 接头类型

    N型母头转SMA型母头

  • 产品特点

    体积小、低驻波、低插损、耐磨损、耐腐蚀、寿命长

  • 应用领域

    产品广泛应用于军工、航空航天、雷达卫星、无线通信等领域

  • 材质工艺

    外壳采用黄铜材质,表面增加了镀三元合金处理工艺,能通过48小时盐雾测验